
Редукторы и мотор- редукторы(куплю редуктор, мотор- редуктор, червячный редуктор, редуктор цилиндрический, планетарный редуктор, редуктор привода, одноступенчатый редуктор, крановый редуктор, вариатор, конический редуктор, мотор- редуктор червячный, мотор- редуктор планетарный, мотор- редуктор NMRV, конвейер, транспортёр, малогабаритные мотор- редукторы, производство мотор- редукторов, мотор- вариатор, бесступенчатое регулирование) От тяжёлой работы согнуто меньше людей, чем гнётся в попытках избежать работы. Зиг Зиглар Перечислить все области применения редукторов трудно, но можно выделить основные: шнековые конвейеры; ленточные конвейеры; винтовые конвейеры; цепные конвейеры; питатели; подъёмно- транспортные машины; ручные и электрические тали; ручные и электрические лебёдки; тележки монорельсовые; домкраты; кран- балки; подъёмные краны; шлагбаумы; приводы для ворот; крановые редукторы; ГОСТ Р 5. Термины и определения. Редуктор привода — разновидность приводной техники, состоящий из нескольких механических (зубчатой, червячной) передач.


Редукторы применяются для увеличения крутящего момента и уменьшения скорости вращения приводного электродвигателя. Основные типы редукторов: Червячный редуктор — использует червячную передачу, состоящую из винта- червяка и сопряжённого с ним червячного колеса, применяется для передачи крутящего момента между перпендикулярно расположенными осями. Червячный мотор- редуктор характеризуется компактностью, плавностью и бесшумностью работы. Червячные редукторы применяются в промышленности и транспорте, этот тип редукторов позволяет создавать сложные и удобные в управлении механизмы.
Редукторы цилиндрические применяются для передачи движения между параллельными или соосными валами. Редукторы цилиндрические — один из самых популярных видов редукторов. Характеристики редукторов цилиндрических - высокий КПД, надежность и долговечность, они широко применяются в машиностроении.
Конический редуктор более сложен по сравнению с цилиндрическим. Конические редукторы применяются для передачи вращательного движения между пересекающимися (обычно под прямым углом) валами. КПД конических редукторов немного меньше, чем у цилиндрических.
Червячные одноступенчатые редукторы серии MU от компании SITI в. MU выпускается в 6 типоразмерах: MU 40, MU 50, MU63, MU 75, MU 90, MU 110. Червячный одноступенчатый мотор-редуктор SITI серии MU является. Таблицы подбора. Технические данные. Корпусы редукторов серии MU выполнены из силумина, начиная с MI 130 используется чугун. Червячный редуктор Siti имеет. Dвых.вала, мм.


Планетарный редуктор характеризуется большим передаточным отношением при небольшой массе и размерах. Планетарный мотор- редуктор широко используется в различных областях промышленности, для морских подводных электростанций, рудничных комбайнов и др. По типу передачи редукторы бывают следующих видов: червячные, зубчатые и зубчато- червячные редукторы. Существует также классификация редукторов по числу ступеней: одноступенчатый редуктор, двухступенчатый и многоступенчатый редукторы, которые используются для достижения различных результатов. Чем больше ступеней, тем большее передаточное число может обеспечить редуктор.
По сравнению с одноступенчатым редуктором, использование многоступенчатой конструкции позволяет более рационально организовать работу редуктора. От числа ступеней редуктора зависит его динамический КПД: одноступенчатый редуктор привода имеет примерный КПД - 0,9. Компания «Альфа- пром» предлагает продажу и гарантийное обслуживание всех видов редукторов - червячных , цилиндрических, планетарных - в течение 1.
На сайте вы найдете каталог редукторов, сможете ознакомиться с инструкциями ко всем типам редукторов (сравнительные технические характеристики редукторов, устройство редуктора, чертеж редуктора, расчет редуктора). Если вы не знаете марку редуктора или мотор- редуктора, заполните ОПРОСНЫЙ ЛИСТ ( в начале этой страницы). Для того чтобы приступить к выбору любого редуктора необходимы следующие данные.- мощность двигательной установки или необходимый крутящий момент на выходном валу редуктора- обороты двигателя, передаточное число редуктора, обороты на выходном валу редуктора - пространственное положение выходного вала редуктора (горизонтально, вертикально, наклонно, меняется со временем)- способ крепления. Эти данные может дать только разработчик или заказчик привода.
Наши специалисты не могут знать какой привод вам нужен. Вы можете выбрать редуктор самостоятельно пользуюсь вкладкой . Червячный мотор- редуктор серии NMRV является модернизированной серией и изготавливается с использованием технологии литья под давлением. Благодаря своим унифицированным присоединительным размерам мотор- редуктор NMRV может служить заменой вышедших из строя мотор- редукторов других фирм (SITI, VARVEL, STM)Модель: NMRVРазмер: 3. Передаточное отношение: . W 8. 02- 4 7 9. 60 руб. W 8. 03- 4 8 5. 40 руб.
W 9. 0S- 4 1. 0 5. W 9. 0L- 4 1. 1 1. W 1. 00. L1- 4 1. Дворниченко О. Гармония Фильма на этой странице. W 1. 00. L2- 4 1.
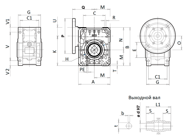
W 1. 12. M4 1. Серия RV – насадной коническо- цилиндрический двух- или трехступенчатый редуктор, отличительной особенностью которого является скрещенное расположение входного и выходного валов относительно друг друга. Передаваемый момент: 1. Нм. Мощность двигателя: 0,1. Вт. Передаточные отношения: 6,3 – 3. Габаритные и присоединительные размеры червячного мотор- редуктора NMRV: редуктор NMRVAВСC1.
D(H7)E(h. 8)FGHH1. IL1. MNOPQR3. 08. Чугунный корпус типоразмера 1. Двойной конический роликоподшипник типоразмера 0. Заполнены синтетическим маслом на весь срок службы.
МЕХАНИЧЕСКИЕ ВАРИАТОРЫ И КОМБИНАЦИЯ РЕДУКТОРОВ CMV P n 0. Вт M 2 7 - 2. 10.
Nm Основные свойства линейки CMV: - Высокая точность регулирования: . Чугунный корпус на CM1. Корпуса вариаторов VAM0. У более крупных вариаторов - чугунный. Большой популярностью пользуются также мотор редуктор 7. МЧ и мотор редуктор 9. МЧ. Высокий уровень популярности этого оборудования обусловлен его неоспоримыми техническими и эксплуатационными преимуществами: мотор редуктор NMRV гарантирует получение небольшой величины частоты вращения при достаточно высоком значении передаточного числа; небольшие габаритные размеры оборудования; высокая степень унификации присоединительных размеров, позволяющая использовать мотор- редуктор NMRV в качестве замены аналогичного оборудования других производителей; возможность применения реактивной штанги, компенсирующей воздействие крутящего (реактивного) момента, от металлоконструкции, на которой смонтирован редуктор NMRV; доступная ценовая категория; высокий уровень надежности и безопасности агрегата.
Благодаря своим исключительным техническим параметрам и эксплуатационным характеристикам NMRVпозиционируется в качестве идеального оборудования для оснащения конвейеров (кормораздатчиков), используемых в сельскохозяйственном производстве и экструдеров, применяемых в различных областях промышленности (химическая,пищевая, сельское хозяйство и т. Также существуют мотор редукторы DRV и NRV. МОТОР- РЕДУКТОРЫ ЦИЛИНДРИЧЕСКИЕ УНИВЕРСАЛЬНЫЕДвухступенчатые. Габарит редуктора. Ном. крутящий момент,min..